JIUZHOU Logo
 
¡ö1310nm 1550nm Coaxial Receptacle Laser JZL13£¨15£©R£­
 

 

Features£º

MQW£­FP structure hermetically sealed, laser soldering fixed
low threshold current, wide temperature featurer
Built-in monitor
low noise of reflection
high reliability, long life
operation temperature: -20¡æ¡«+65¡æ
excellent receptacle and interface

Applications£º

Absolute Maximum rating£º

Note: 1, testing humidity is 25¡æ
2, when operate in pulse situation, there isn¡¯t exceeding to Max. Driving current
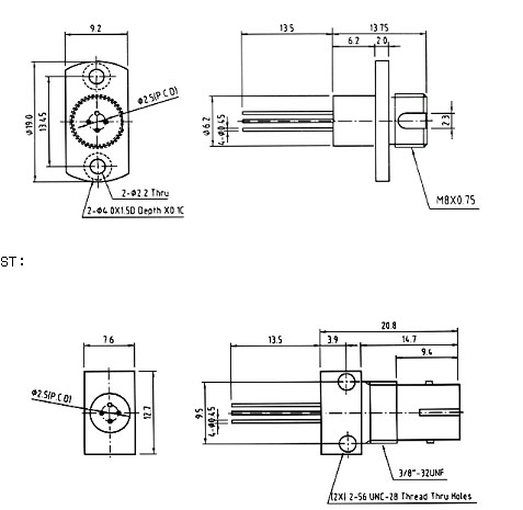
package dimension£º(Unit: mm)

FC£º

 

 

 
Copyright© 2001 - ;Sichuan Jiuzhou Electronic Technology Co.,Ltd All Rights Reserved